|
icandoitfaster
|
 |
« on: April 29, 2020, 05:17:30 PM » |
|
Hey Dusty, I justs purchased a rear tail light for my IS so that I can super Valk her. Could you please send me a few photos of the trunk brackets so I can see how you cut them for quick easy removal. Also maybe share how you wired your girl up so I can tell my Honda service guys what I want done. Thanks cheers, paul icandoitfaster@shaw.ca
|
|
|
|
« Last Edit: April 29, 2020, 05:20:44 PM by icandoitfaster »
|
Logged
|
|
|
|
gordonv
Member
    
Posts: 5766
VRCC # 31419
Richmond BC
|
 |
« Reply #1 on: April 29, 2020, 05:43:29 PM » |
|
Lets hope Dusty has them, because they are gone from the links I had saved. http://www.valkyrieforum.com/bbs/index.php/topic,9549.0.htmlI'll look around for some other ones too. Found it at bigBG http://bigbf.com/bigbf_shop/mod_i-s_trunk/I was thinking if this was the right one or not? There was one out there that had the slot the wrong direction. But this looks right. If the nut was to loosen, would the passenger sitting back, be pushing the bracket to the opening, or locking it in place. But it looks right, down, then pull backwards.
|
|
|
|
« Last Edit: April 29, 2020, 05:50:30 PM by gordonv »
|
Logged
|
1999 Black with custom paint IS  
|
|
|
|
msb
|
 |
« Reply #2 on: April 29, 2020, 06:20:58 PM » |
|
Greg (NoGrey) from Idaho sent me something ...I'll look for it. He did his trunk in a way that you only had to unbolt one side...he cut slots in the other side. Looked like a good way to make removal easier. Do you have a seat and something for the back fender, Paul? I don't think it's a huge job to do, probably can do most if not all of it yourself.
|
|
|
|
« Last Edit: April 29, 2020, 06:34:21 PM by msb »
|
Logged
|
Mike
'99 Red & Black IS
|
|
|
|
Dusty
|
 |
« Reply #3 on: April 29, 2020, 11:08:14 PM » |
|
Paul
I'll go thru my pictures in the morning. Wiring was easy. There is a connector under the side cover for disconnecting the trunk lights and another connector for the rear speakers if installed. Under the rear fender is a connector that you just plug into the fender mounted taillight.
Dusty
|
|
|
|
|
Logged
|
|
|
|
|
icandoitfaster
|
 |
« Reply #4 on: April 30, 2020, 09:34:12 AM » |
|
I really suck at automotive stuff. My Honda service guy said he would gladly wire the rear fender light but he said he wasn't doing any cutting on my bike so that part is up to me!! YIKES!!!  Oh well! Gord, thanks for the link. Mike, the easier the better for me. This cutting my bike scares the crap out of me. Dusty, thank you for looking for your photos. I remember seeing your girl at the Port Angeles meeting and she looked amazing. I'll let you all know when the tail light has been mounted and I'm ready to start cutting. There are a few steps in Gord's link that I don't understand. I understand why cutting the chromed side brackets needs to be done and how it works but don't know why the black bracket needs to be cut? What does that bracket do? cheers
|
|
|
|
|
Logged
|
|
|
|
|
msb
|
 |
« Reply #5 on: April 30, 2020, 10:00:49 AM » |
|
I really suck at automotive stuff. My Honda service guy said he would gladly wire the rear fender light but he said he wasn't doing any cutting on my bike so that part is up to me!! YIKES!!!  Oh well! Gord, thanks for the link. Mike, the easier the better for me. This cutting my bike scares the poop out of me. Dusty, thank you for looking for your photos. I remember seeing your girl at the Port Angeles meeting and she looked amazing. I'll let you all know when the tail light has been mounted and I'm ready to start cutting. There are a few steps in Gord's link that I don't understand. I understand why cutting the chromed side brackets needs to be done and how it works but don't know why the black bracket needs to be cut? What does that bracket do? cheers Once you have everything you need, bring it up to my place and I'll get Gord out as well (Dusty, your're welcome to ride over too, once restrictions are relaxed and you Islanders are allowed off of your little isolation paradise  ). I've got saws, grinders, big hammers, and other assorted tools of destruction... and my neighbour's got a cutting torch we can use...we can go to town on your girl. Good practice for when I Super Valk mine  
|
|
|
|
|
Logged
|
Mike
'99 Red & Black IS
|
|
|
|
icandoitfaster
|
 |
« Reply #6 on: April 30, 2020, 10:31:11 AM » |
|
Oh wow! That would be amazing Mike. I'm going to have my mechanic wire in the rear fender tail light so that it becomes a permanent part of the bike (stays working even when the trunk if on). Then all we need to do is cut the two chrome brackets and the process should be done. Undo the trunk tail light and speaker connections and its off. Always good to practise on someone elses bike first!!!  Iron out all the wrinkles! 
|
|
|
|
|
Logged
|
|
|
|
|
icandoitfaster
|
 |
« Reply #7 on: April 30, 2020, 07:27:36 PM » |
|
Hey Mike, I'm not sure what you're asking about the seat and back fender. I thought my rider seat would still work because the rider backrest is connected to the seat. Do I need a different seat and do I need something for the back fender?
|
|
|
|
|
Logged
|
|
|
|
gordonv
Member
    
Posts: 5766
VRCC # 31419
Richmond BC
|
 |
« Reply #8 on: April 30, 2020, 07:56:16 PM » |
|
That black piece is where the IS seat is held in. Unlike the Std/T models, which have the back seat bolted onto the fender. No trunk, no seat support.
You've the Mustang seat. Do you know what holds it in on the back passenger, or are you going to make it a solo when the trunk is off? I don't know where that would mount.
That black piece that was cut, is shortened, as it hits the installed fender mounted brake light.
I've a Dremel, and the proper metal cutting wheel. I use it at work and would feel very comfortable cutting yours or even my fender rails. I've also got a set of the bits/cutters for shaping/finishing off the cuts.
Only thing would be something to protect the cuts from rusting. I'm thinking nail polish, clear or, only a few dollars at the $ store.
Mike has my digisync, so you can through that on at the same time your there.
|
|
|
|
|
Logged
|
1999 Black with custom paint IS  
|
|
|
|
msb
|
 |
« Reply #9 on: April 30, 2020, 08:15:42 PM » |
|
Hey Mike, I'm not sure what you're asking about the seat and back fender. I thought my rider seat would still work because the rider backrest is connected to the seat. Do I need a different seat and do I need something for the back fender?
I was thinking if you still had the OEM seat, it's a one piece rider/passenger seat....my Corbin is one piece as well. If you have an Ultimate , then that's two pieces so that would work. I was assuming you'd be going with a solo seat setup...most If not all Super Valks I've seen go with a solo seat. I guess you could keep the passenger seat as well, just don't know how that would look. If you are going with a solo seat, then you'd probably want to cover the fender bolt that holds the two pieces together.And if your bike is like mine, the fender may be scratched from years of removing and putting the seat back on. When I do mine, I have a leather gal I know in Chilliwack who I'll get to make a nice bib that matches whatever solo seat I find to use, that I can just velcro over the fender joint. 
|
|
|
|
|
Logged
|
Mike
'99 Red & Black IS
|
|
|
|
msb
|
 |
« Reply #10 on: April 30, 2020, 08:19:53 PM » |
|
Paul...where did you find your tail light assembly and what did you pay?
|
|
|
|
|
Logged
|
Mike
'99 Red & Black IS
|
|
|
|
longrider
|
 |
« Reply #11 on: May 01, 2020, 06:35:45 AM » |
|
For the OP. Did you buy the oem standard valk harness for the fender light. If not you will need to make your own. I did not slot the supports as my wife rides it and said she can get by without as long as I carry everything. lol i Installed a black plastic spacer and used the chrome nuts. 
|
|
|
|
|
Logged
|
|
|
|
|
icandoitfaster
|
 |
« Reply #12 on: May 01, 2020, 09:55:22 AM » |
|
This is much more complicated than I first thought. The idea is to ride solo when in Super Valk mode. I have a Mustang two piece seat. The light is a complete assembly. The only thing missing is the wiring and harness. I purchased it from a member in Alabama who graciously offered it to me. He purchased it for extra rear lighting but it wouldn't fit with his stock CB (same as Gord). My Honda mech will have no trouble connecting it to the bike. I also really like the look of the rear fender and hard bags with nothing on the top, just three components all the same shape and colour. I will probably eventually have the pieces painted again if they are too scratched up. I'm hoping they won't be because I never remove anything (one plus to that). I'm heading out for a ride today but will take a look at how the rider seat is connected to the bike when I get back. As you can tell, I never take anything off my bike, not even the seat!!  Thank you all for sharing your expertise.
|
|
|
|
|
Logged
|
|
|
|
|
msb
|
 |
« Reply #13 on: May 01, 2020, 10:59:51 AM » |
|
This is much more complicated than I first thought. The idea is to ride solo when in Super Valk mode. I have a Mustang two piece seat. The light is a complete assembly. The only thing missing is the wiring and harness. I purchased it from a member in Alabama who graciously offered it to me. He purchased it for extra rear lighting but it wouldn't fit with his stock CB (same as Gord). My Honda mech will have no trouble connecting it to the bike. I also really like the look of the rear fender and hard bags with nothing on the top, just three components all the same shape and colour. I will probably eventually have the pieces painted again if they are too scratched up. I'm hoping they won't be because I never remove anything (one plus to that). I'm heading out for a ride today but will take a look at how the rider seat is connected to the bike when I get back. As you can tell, I never take anything off my bike, not even the seat!!  Thank you all for sharing your expertise. Paul, if you'd like, drop me a text if you're heading out this way. I'm home all day, will be heading out for a ride later. I'll remove my seat for ya  so you can take a look and see what we're talking about. I don't believe it's really that complicated at all. When we can all get together again, we'll show you how to remove a whole bunch of stuff from your bike....not sure about showing you how to put it back together, but hey...baby steps  
|
|
|
|
« Last Edit: May 01, 2020, 11:09:17 AM by msb »
|
Logged
|
Mike
'99 Red & Black IS
|
|
|
|
JimC
|
 |
« Reply #14 on: May 01, 2020, 01:16:23 PM » |
|
The wiring is actually pretty easy. Hard wire the new stop/run light into the harness. Use a flat 4 (trailer connector) for the speakers, and the lights on the trunk.
That way all you do is pull the two connectors apart and remove the trunk.
Jim
|
|
|
|
|
Logged
|
Jim Callaghan SE Wisconsin
|
|
|
|
Dusty
|
 |
« Reply #15 on: May 01, 2020, 02:30:20 PM » |
|
Paul I sent you a bunch of pictures in e-mail  Dusty
|
|
|
|
|
Logged
|
|
|
|
gordonv
Member
    
Posts: 5766
VRCC # 31419
Richmond BC
|
 |
« Reply #16 on: May 01, 2020, 05:15:21 PM » |
|
The light is a complete assembly. The only thing missing is the wiring and harness. I purchased it from a member in Alabama who graciously offered it to me. He purchased it for extra rear lighting but it wouldn't fit with his stock CB (same as Gord). My Honda mech will have no trouble connecting it to the bike.
I have the fender brake light, and picked up the Std/T wire harness A & B to go along with it. My intention was to permanently mount the brake light, and to make the trunk the one with the quick disconnect using the 4/5 wire trailer hitch connector. Mike let me know if your interested in it, I saw Paul's post too late. Just in case there are more locals reading this too, I was going to offer my chrome, I will be selling, to Paul first, knowing he likes sparkly things, but I'm in no hurry, and don't really know what all I have to dispose of. Thought a Valhalla rally would be nice too for a garage sale.
|
|
|
|
|
Logged
|
1999 Black with custom paint IS  
|
|
|
|
msb
|
 |
« Reply #17 on: May 01, 2020, 06:14:51 PM » |
|
The light is a complete assembly. The only thing missing is the wiring and harness. I purchased it from a member in Alabama who graciously offered it to me. He purchased it for extra rear lighting but it wouldn't fit with his stock CB (same as Gord). My Honda mech will have no trouble connecting it to the bike.
I have the fender brake light, and picked up the Std/T wire harness A & B to go along with it. My intention was to permanently mount the brake light, and to make the trunk the one with the quick disconnect using the 4/5 wire trailer hitch connector. Mike let me know if your interested in it, I saw Paul's post too late. Just in case there are more locals reading this too, I was going to offer my chrome, I will be selling, to Paul first, knowing he likes sparkly things, but I'm in no hurry, and don't really know what all I have to dispose of. Thought a Valhalla rally would be nice too for a garage sale. I'd be interested in the light assembly Gord.
|
|
|
|
|
Logged
|
Mike
'99 Red & Black IS
|
|
|
|
Dusty
|
 |
« Reply #18 on: May 01, 2020, 07:38:00 PM » |
|
The light is a complete assembly. The only thing missing is the wiring and harness. I purchased it from a member in Alabama who graciously offered it to me. He purchased it for extra rear lighting but it wouldn't fit with his stock CB (same as Gord). My Honda mech will have no trouble connecting it to the bike.
I have the fender brake light, and picked up the Std/T wire harness A & B to go along with it. My intention was to permanently mount the brake light, and to make the trunk the one with the quick disconnect using the 4/5 wire trailer hitch connector. Mike let me know if your interested in it, I saw Paul's post too late. Just in case there are more locals reading this too, I was going to offer my chrome, I will be selling, to Paul first, knowing he likes sparkly things, but I'm in no hurry, and don't really know what all I have to dispose of. Thought a Valhalla rally would be nice too for a garage sale. Gord You don't have to put a connector on your taillight wires. Just follow the wire under your right side cover and disconnect the plug then pull the wire and connector out from behind the frame. Dusty
|
|
|
|
|
Logged
|
|
|
|
gordonv
Member
    
Posts: 5766
VRCC # 31419
Richmond BC
|
 |
« Reply #19 on: May 02, 2020, 03:04:26 PM » |
|
The light is a complete assembly. The only thing missing is the wiring and harness. I purchased it from a member in Alabama who graciously offered it to me. He purchased it for extra rear lighting but it wouldn't fit with his stock CB (same as Gord). My Honda mech will have no trouble connecting it to the bike.
I have the fender brake light, and picked up the Std/T wire harness A & B to go along with it. My intention was to permanently mount the brake light, and to make the trunk the one with the quick disconnect using the 4/5 wire trailer hitch connector. Mike let me know if your interested in it, I saw Paul's post too late. Just in case there are more locals reading this too, I was going to offer my chrome, I will be selling, to Paul first, knowing he likes sparkly things, but I'm in no hurry, and don't really know what all I have to dispose of. Thought a Valhalla rally would be nice too for a garage sale. Gord You don't have to put a connector on your taillight wires. Just follow the wire under your right side cover and disconnect the plug then pull the wire and connector out from behind the frame. Dusty Are you referring to the stock wire harness, sub harness A & B? Your correct, they would replace the A & B for the IS, to the correct wires for the fender mounted Std/T A & B harness. No other mod required. The trailer hitch connector was for the IS trunk. If I remember correctly, it wires into the OEM IS sub harness. The mod could be added into the OEM main harness, or into the Std/T sub harness. It uses a bullet connector. I was going to make a male/female bullet Y connector for the 4-way trailer connector.
|
|
|
|
|
Logged
|
1999 Black with custom paint IS  
|
|
|
|
icandoitfaster
|
 |
« Reply #20 on: May 03, 2020, 03:47:08 PM » |
|
Dusty, thank you for the email and the photos. I think the boys over here will be able to easily figure it all out. I'll give you all a shout when My light arrives. cheers everyone
|
|
|
|
|
Logged
|
|
|
|
|
Dusty
|
 |
« Reply #21 on: January 31, 2021, 05:03:54 PM » |
|
Paul Did you get your super valk modification done ? Hope it all went well. Dusty 
|
|
|
|
« Last Edit: January 31, 2021, 05:09:42 PM by Dusty »
|
Logged
|
|
|
|
|
icandoitfaster
|
 |
« Reply #22 on: February 01, 2021, 10:45:50 AM » |
|
Hey Dusty, Wow, your girl looks amazing. I will never forget seeing her in person for the first time. I had no idea what "supervalk" meant because I'd never seen one.....fell in love instantly. No, I've not yet taken her in to have the wiring done. Every time it's nice out and I think I should get it done, I go for a ride instead. I know, it won't take long in the shop. Will probably get her done in the Spring. Thanks for asking. cheers, paul
|
|
|
|
|
Logged
|
|
|
|
|
OttawaWill
|
 |
« Reply #23 on: July 16, 2022, 08:42:29 PM » |
|
Hello from Ottawa. Paul, Did you ever complete the Supervalk conversion? I was looking to buy a tourer, but my wife and I saw a G/wing on one of our family outings, and I'm now considering an Interstate so we can include our sons in riding. I'm okay with a little junk in the trunk sometimes, but they sure look good in the Supervalk setup. There is a Blue/Silver low KM listed with a painted-to-match trailer locally... I don't know if I would ever need or use the trailer. I think he wants to sell it as a set...
|
|
|
|
|
Logged
|
|
|
|
gordonv
Member
    
Posts: 5766
VRCC # 31419
Richmond BC
|
 |
« Reply #24 on: July 17, 2022, 07:55:30 AM » |
|
Hi OWill, I haven't directly followed the prices, but I think they have dropped, and they are easy to get from south of the border too, so your options open up very quickly.
I like the fairing a lot more than the wind shield, so always would buy the IS instead.
There is lot of how to out there on converting to a Super Valk, it was very popular. I like the trunk just for shopping, gives me more reason to bring the Valk instead of the car.
|
|
|
|
|
Logged
|
1999 Black with custom paint IS  
|
|
|
|
OttawaWill
|
 |
« Reply #25 on: July 17, 2022, 09:36:45 AM » |
|
My ride is Currently a Magna. When I brought it home, I took the shield, pillion and soft studded bags off.... right after removing the Flower and questionable pinstripe decals the previous owner installed.. While I like the stripped-down sleek look, I have reinstalled the bags as they are useful. We have two boys who, if we can include them in riding, we would love to do so. Our oldest, who just turned ten, would be fine on the back of the Magna with a simple backrest but my youngest, who loves going on bicycle rides, scooters, wagons, cars, and trucks is nine and is non-verbal on the autism spectrum. We feel having the trunk/backrest would give him some additional support/safety. The SuperValk would be for my Solo rides when I want a more esthetically pleasing machine.. seems the Std/Tourer tail light assy is rare. Most of the time I spend in forums is on my mobile device and this forum is not the most mobile phone friendly.
|
|
|
|
|
Logged
|
|
|
|
|
OttawaWill
|
 |
« Reply #26 on: October 24, 2022, 11:30:38 AM » |
|
I know this is not the classified add section but its relevant to the Thread. I pull the trigger on a 01 I/S last Thursday and while Maintenance is top of my list, Supervalk it right below it and would love to take it out of winter hibernation with a few extra pounds. Would anyone have a standard/tourer tail light assembly for sale. Jess from VA has one but thought I would check with my fellow canucks first as shipping may be easier. I
|
|
|
|
|
Logged
|
|
|
|
|
Jess from VA
|
 |
« Reply #27 on: October 24, 2022, 11:37:47 AM » |
|
Jess from VA has one but thought I would check with my fellow canucks first as shipping may be easier.
I do not have a std tourer taillight Will.
Well, I have one on each of my interstates, but you can't have those.
I bought both of mine as new parts. Are they not available now?
If so, check Pinwall Cycle in OH.
|
|
|
|
|
Logged
|
|
|
|
|
OttawaWill
|
 |
« Reply #28 on: October 25, 2022, 08:31:29 AM » |
|
Jess from VA has one but thought I would check with my fellow canucks first as shipping may be easier.
I do not have a std tourer taillight Will.
Well, I have one on each of my interstates, but you can't have those.
I bought both of mine as new parts. Are they not available now?
If so, check Pinwall Cycle in OH.
My apologies. I misunderstood. When I checked the online catalog it indicated it was not available. I will reach out to my local Dealership and inquire. Took the fat lady to a Rip on the weekend to burn off the full fuel tank to make winter maintenance easier. I was quite surprised how loud the exhaust was. I don't know that I would want it any louder. These bikes are awesome... I was cautious as the rubber is older Dunlop elite sport 3s and didn't want to push….. too much. Anyways got new Dunlop elite sport 4 on order and next is to prepare a winter maintenance area….
|
|
|
|
|
Logged
|
|
|
|
|
Jess from VA
|
 |
« Reply #29 on: October 25, 2022, 10:59:22 AM » |
|
|
|
|
|
« Last Edit: October 25, 2022, 11:03:17 AM by Jess from VA »
|
Logged
|
|
|
|
|
|
|
Jess from VA
|
 |
« Reply #31 on: October 25, 2022, 05:02:19 PM » |
|
Amazing how prices go up after 14 years.
That poor Delphi Valk forum is deader than a door nail.
|
|
|
|
|
Logged
|
|
|
|
|
OttawaWill
|
 |
« Reply #32 on: October 26, 2022, 10:25:19 AM » |
|
Contacted Local Honda dlr. Obsolete. Contacted pinwall - no stock. Contacted pro caliber obsolete and no stock. Looks like this project is on hold until I can find a used one.. Thanks for all your help.
|
|
|
|
|
Logged
|
|
|
|
|
Jess from VA
|
 |
« Reply #33 on: October 26, 2022, 12:41:18 PM » |
|
Will, my recollection is vague, but there were two other Hondas that had extremely similar tail lights; they looked identical, but there was some small difference in the base and/or gasket and mount to bike. I think the lens was the same part number. But they could be made to work... with some finagling.
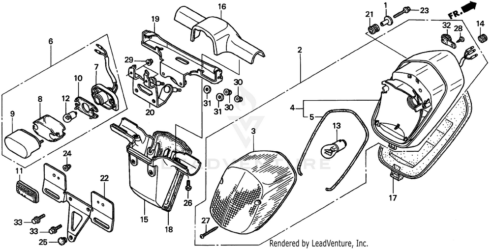
I think one Honda Shadow version and the Shadow Ace (& Tourer?). 750cc and 1100cc, I think.
I'm sure there are some old posts on here about it somewhere.
Pinwall is the best Valk salvage outfit around, but there are plenty of MC salvage yards, but unlike cars, I don't think they are connected by some interconnected electronic search function.
|
|
|
|
« Last Edit: October 26, 2022, 12:44:22 PM by Jess from VA »
|
Logged
|
|
|
|
|
OttawaWill
|
 |
« Reply #34 on: October 29, 2022, 06:59:30 PM » |
|
I've ordered all the pieces separately as they haven't been marked as obsolete... Let's see if the order is complete... Time will tell.
|
|
|
|
|
Logged
|
|
|
|
|
Kiwitex
|
 |
« Reply #35 on: March 12, 2023, 01:12:49 PM » |
|
I've ordered all the pieces separately as they haven't been marked as obsolete... Let's see if the order is complete... Time will tell.
Enquiring minds want to know..... what did time tell?
|
|
|
|
|
Logged
|
|
|
|
|
OttawaWill
|
 |
« Reply #36 on: April 25, 2023, 04:33:22 PM » |
|
Sorry for the delay I've recieved all the pieces and hope to have it all installed over the next week or so...
|
|
|
|
|
Logged
|
|
|
|
|
OttawaWill
|
 |
« Reply #37 on: May 13, 2023, 12:10:55 PM » |
|
Update: All the parts arrived. They are all installed on the bike, including the Std wiring Sub A and B. I'v come to the connection point under the right side cover, and Im struggling to find the correct wiring steps needed. The bike is 120km from home at my parents, and I have very limited time to make the trek up to work on the bike. I went up this morning but forgot my laptop with the WSM on it not that it would have helped as The IS wiring diagram that is in the WSM is too blurry to make out what it what. I found one on the site that someone uploaded very clearly with colours, but it doesn't seem to match up with my factory wiring colours. I have been so eager to ride the last few weeks and it looks like it'll be a bit longer. I will keep looking for some guidance but all the old tech files are no longer avail. Ill be sure to post updates as they become available. Sorry OP for hijacking your thread. OW
|
|
|
|
|
Logged
|
|
|
|
|
OttawaWill
|
 |
« Reply #38 on: May 26, 2023, 09:05:23 PM » |
|
Sorry for the late reply. Any free time I get I try to ride. Got the trunk off, taillight installed (purchased components through local dealer), bought digital subscription to Hanes for wiring diagram and wired up brake signal and all ready to roll. Still need to notch brackets for quick and easy trunk, pillion start install. 
|
|
|
|
|
Logged
|
|
|
|
|
Jess from VA
|
 |
« Reply #39 on: May 27, 2023, 03:15:40 AM » |
|
Looks good Will. 
|
|
|
|
|
Logged
|
|
|
|
|